AWZ510
Artikelnummer: 7500000
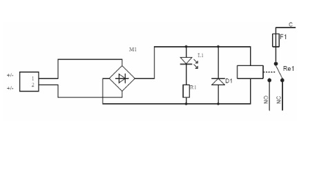
Relaismodul mit 1 Wechsler
- Steuerspannung: 10-16VDC / 10-13VAC
- Relais: 1x Wechslerrelais, 1A@30VDC/50VAC
- Sicherung: Schmelzsicherung 1,5A
Dateien
Das Relaismodul AWZ510 ist für Steuerfunktionen in Alarmsystemen, Zugangskontrollsystemen ausgelegt. Es dient zur Umsetzung von OpenCollector-Ausgängen auf lastgeführte 12V-Verbraucherkreise wie Sirenen, Lampen, aber auch als potentialfreier Kontakt für Wählgeräte oder Auswerteeinheiten. Die galvanische Trennung des Steuerkreises zum Lastkreis gibt zusätzliche Sicherheit für Ihr System.
Brand
Spannungsversorgung
Betriebstemperatur
Abmessungen
Stromaufnahme
Schaltleistung
Ausgangsspannung
Garantie
Größe
0,05 × 0,04 × 0,02 cm
Kein passendes Zubehör gefunden.


